Victory Topplock främre

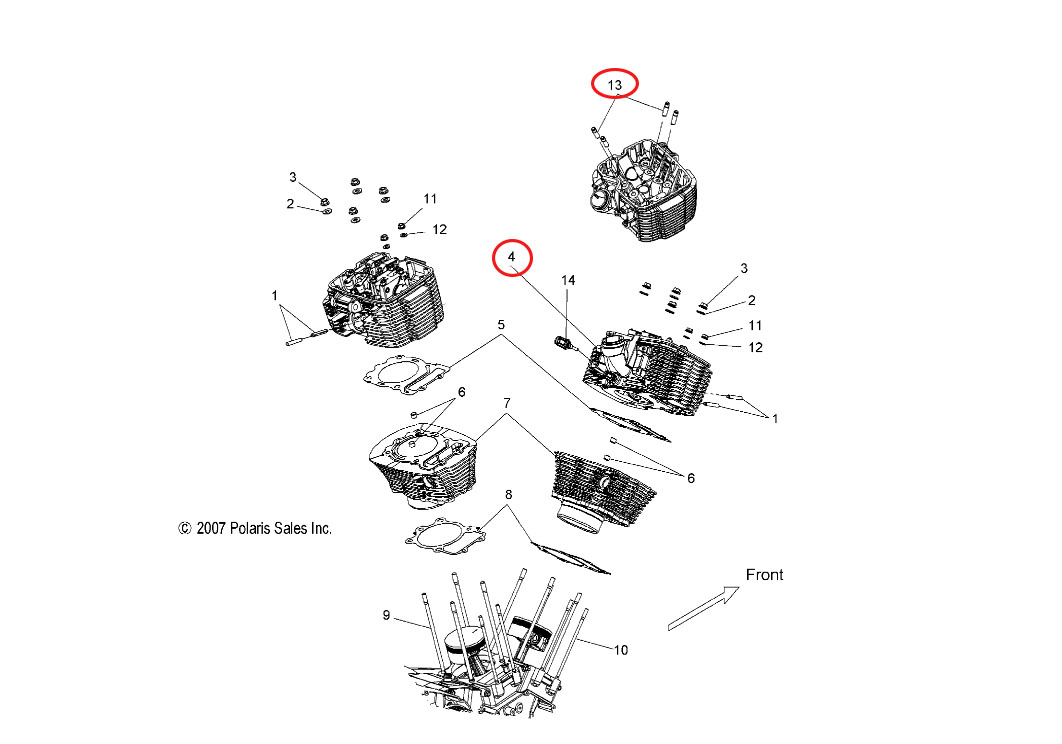
Victory Topplock främre Ny Original Victory främre topplock. Innehåller nummer  4 och nummer 13 från sprängskissen/bilden. Passar Boardwalk 2013-2015 Cross Country 2012-2017 Cross Roads 2012-2014 Gunner 2016-2017 Hammer 2012-2017 High Ball 2013-2017 Jackpot 2013-2016 Judge 2013-2017 Kingpin 2012 Magnum /Magnum…